產品系列
- 32.768KHz
- 石英晶振
- 貼片晶振
- 聲表面濾波器
- 陶瓷晶振
- 陶瓷霧化片
- 陶瓷濾波器
- 微孔霧化片
- CTS晶振
- KDS晶振
- 愛普生晶振
- 西鐵城晶振
- 精工晶體
- 村田晶振
- 京瓷晶振
- DST310S晶振
- 日本大河晶體
- NDK晶振
- 亞陶晶振
- 日本富士晶振
- NAKA晶振
- SMI晶振
- NKG晶振
- NJR晶振
- Q-Tech晶振
- ABRACON晶振
- VECTRON晶振
- JAUCH晶振
- ConnorWinfield晶振
- Rakon晶振
- ECS晶振
- Greenray晶振
- ECLIPTEK晶振
- GOLLEDGE晶振
- STATEK晶振
- Pletronics晶振
- SITIME晶振
- Microcrystal晶振
- RALTRON晶振
- AEK晶振
- AEL晶振
- ILSI晶振
- FOX晶振
- fujicom晶振
- CRYSTEK晶振
- interquip晶振
- Geyer晶振
- quartzcom晶振
- qantek晶振
- EUROQUARTZ晶振
- quarztechnik晶振
- Cardinal晶振
- FRE-TECH晶振
- KVG晶振
- wi2wi晶振
- Transko晶振
- suntsu晶振
- mmdcomp晶振
- MERCURY晶振
- MTRONPTI晶振
- ACT晶振
- MTI晶振
- Lihom晶振
- Rubyquartz晶振
- Oscilent晶振
- SHINSUNG晶振
- ITTI晶振
- PDI晶振
- IQD晶振
- Microchip晶振
- Silicon晶振
- Anderson晶振
- Fortiming晶振
- CORE晶振
- NIPPON晶振
- NIC晶振
- QVS晶振
- Bomar晶振
- Bliley晶振
- GED晶振
- FILTRONETICS晶振
- STD晶振
- Wenzel晶振
- NEL晶振
- EM晶振
- PETERMANN晶振
- FCD-Tech晶振
- HEC晶振
- FMI晶振
- Macrobizes晶振
- AXTAL晶振
- SUNNY晶振
- ARGO晶振
- Renesas瑞薩晶振
- SKYWORKS晶振
- NSK晶振
- 臺灣加高諧振器
- 臺灣鴻星晶體
- TXC晶振
- 臺灣希華晶振
- 臺灣泰藝晶體
- AKER晶振
晶振廠家
進口晶振
歐美晶振
臺產晶振
Tel:0755-27838351
Add:廣東深圳市寶安區67區留仙一路甲岸科技園3棟5樓
Email:konuaer@163.com
QQ:632862232
晶振官方博客
更多>>.jpg)
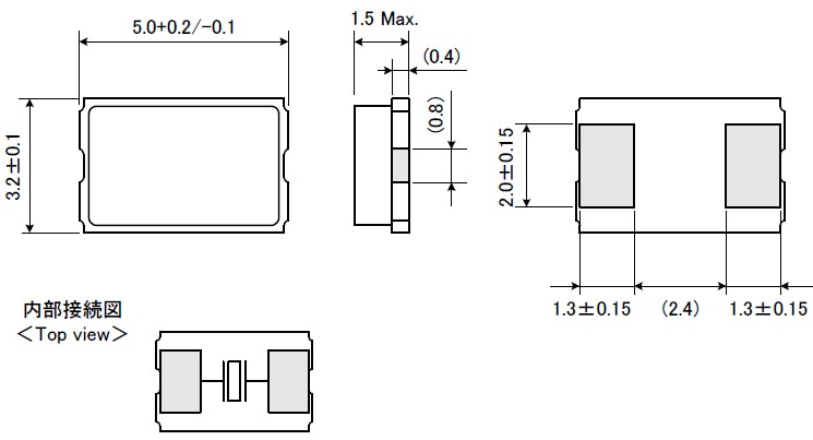
大河晶體諧振器,FCX-03石英晶振,陶瓷面晶體,小型表面貼片晶振型,是標準的石英晶體諧振器,適用于寬溫范圍的電子數碼產品,家電電器及MP3,MP4,播放器,單片機等領域.可對應8.000MHz以上的頻率,在電子數碼產品,以及家電相關電器領域里面發揮優良的電氣特性,滿足無鉛焊接的回流溫度曲線要求.SMD陶瓷面貼片晶振,表面陶瓷封裝,其實是屬于壓電石英晶振,是高可靠的環保性能,嚴格的頻率分選,編帶盤裝,可應用于高速自動貼片機焊接,產品本身設計合理,成本和性能良好.
.gif)
| 晶振參數表 | 石英晶體諧振器FCX-03 | |
| 頻率范圍 | 8.000~60.000MHZ | |
| 負荷電量 | 8pf,10pf,12pF,16pF | |
| 激勵功率 | 10μW (500μW Max) | |
| 頻率公差 | ±15ppm,±20ppm,±30ppm,±50ppm | |
| 串聯電阻 |
8.000~9.000MHZ,500Ω Max 9.000~9.500MHZ, 250Ω Max 9.500~10.000 MHZ,200Ω Max 10.000~12.000 MHZ,150Ω Max. 12.000~16.000 MHZ,100Ω Max 16.000~30.000 MHZ,70Ω Max 30.000~60.000 MHZ,50Ω Max |
|
| 頂點溫度 | +25°C ±5°C | |
| 工作溫度范圍 | -20~+70℃,-30~+85℃,-40~+85℃ | |
| 保存溫度范圍 | -40~ +85°C | |
| 并列容量 | 1.3fF Typ. | 1.1fF Typ. |
.gif)


RIVER ELETEC是以生產晶體、晶振為主的電子元器件廠家.尤其在SMD型(表貼型)小型水晶元器件方面一直處于行業領先地位,積累了許多獨特的技術,贏得了“小型元器件找RIVER”的信譽.
自1949年生產電阻以來,公司一貫重視開發具有獨特性能的元器件,經過60多年的發展,RIVER ELETEC現已成為一個以研發和生產晶振為核心業務的日本上市公司,公司產品以不斷追求“小型化、高性能、高品質 ”為目標,服務于手機,IT,數碼,汽車等多個領域,擁有穩定的國內外客戶群體.
公司以提高用戶滿意度為目標,不斷推進集團整體業務的發展.讓用戶滿意,就是讓使用裝有本公司產品的手機、數碼相機等電子設備的廣大用戶滿意.我們深知這一點,因而更加努力向目標邁進.由于小型水晶元器件在信息通信中是必不可少的部件,因此上述理念已深深植入于本公司每個員工的心中.

超聲波清洗
(1)使用AT-切割晶體和表面聲波(SAW)諧振器/濾波器的產品,可以通過超聲波進行清洗.但是,在某些條件下, 晶體特性可能會受到影響,而且內部線路可能受到損壞.確保已事先檢查系統的適用性.
(2)使用音叉晶體和陀螺儀傳感器的產品無法確保能夠通過超聲波方法進行清洗,因為晶體可能受到破壞.
(3)請勿清洗開啟式產品
(4)對于可清洗產品,應避免使用可能對產品產生負面影響的清洗劑或溶劑等.
(5)焊料助焊劑的殘留會吸收水分并凝固.這會引起諸如位移等其它現象.這將會負面影響產品的可靠性和質量.請清理殘余的助焊劑并烘干PCB.
操作
請勿用鑷子或任何堅硬的工具,夾具直接接觸IC的表面.
使用環境(溫度和濕度)
請在規定的溫度范圍內使用產品.這個溫度涉及本體的和季節變化的溫度.在高濕環境下,會由于凝露引起故障.請避免凝露的產生.
.jpg)

大河晶體科技股份有限公司,依據‘ISO 14001環境/OHSAS-18001安衛管理系統’要求制定本‘環境/安衛手冊’,以界定本公司環境/安衛管理系統之范圍,包括任何排除之細節及調整,并指引環境/安衛管理系統與各書面、辦法書之對應關系,包含在環境/安衛管理系統內之流程順序及交互作用的描述.本公司環境/安衛管理系統之適用范圍包含公司所有的活動、產品及服務. 大河晶體科技股份有限公司藉由環境/安衛管理系統的推動執行,以整合內部資源,奠定經營管理的基礎.藉執行環境考量面/安衛危害鑒別作業,環境/安衛管理方案和內部稽核為手段,合理化推動環境/安衛管理,落實環境/安衛系統有效實施.并不斷透過教育訓練灌輸員工環境/安衛觀念及意識,藉由改善公司制程以達到污染預防、工業減廢、安全與衛生、符合法規要求使企業永續發展減少環境/安衛負擔,并滿足客戶需求,獲得客戶的信賴而努力.

.gif)
1.技術支持 2.客服咨詢
全方位技術指導,專業的技術支持讓您感受到前所未有的后顧無憂。專業的銷售團隊,耐心為您解答任何疑問。讓您的消費得到保障。
3.質量保證,誠信為上 4.提升業績,降低成本
我司以“以科技為動力,以質量求生存。”為理念。 為您的產品量身訂制,免費取樣,為您做到低成本,高效率。
| 深圳市康華爾電子有限公司 |
| 電 話: +86-755-27838351 |
| 手 機:13823300879 |
| 傳 真: +86-755-27883106 |
| Q Q: 632862232 |
| MSN: konuaer@163.com |
| E-mail:konuaer@163.com |
| 網 址:http://m.spinfm.net |
| 地 址:深圳市寶安區67區留仙一路甲岸科技園3棟 |





銷售代表
售后服務