產品系列
- 32.768KHz
- 石英晶振
- 貼片晶振
- 聲表面濾波器
- 陶瓷晶振
- 陶瓷霧化片
- 陶瓷濾波器
- 微孔霧化片
- CTS晶振
- KDS晶振
- 愛普生晶振
- 西鐵城晶振
- 精工晶體
- 村田晶振
- 京瓷晶振
- DST310S晶振
- 日本大河晶體
- NDK晶振
- 亞陶晶振
- 日本富士晶振
- NAKA晶振
- SMI晶振
- NKG晶振
- NJR晶振
- Q-Tech晶振
- ABRACON晶振
- VECTRON晶振
- JAUCH晶振
- ConnorWinfield晶振
- Rakon晶振
- ECS晶振
- Greenray晶振
- ECLIPTEK晶振
- GOLLEDGE晶振
- STATEK晶振
- Pletronics晶振
- SITIME晶振
- Microcrystal晶振
- RALTRON晶振
- AEK晶振
- AEL晶振
- ILSI晶振
- FOX晶振
- fujicom晶振
- CRYSTEK晶振
- interquip晶振
- Geyer晶振
- quartzcom晶振
- qantek晶振
- EUROQUARTZ晶振
- quarztechnik晶振
- Cardinal晶振
- FRE-TECH晶振
- KVG晶振
- wi2wi晶振
- Transko晶振
- suntsu晶振
- mmdcomp晶振
- MERCURY晶振
- MTRONPTI晶振
- ACT晶振
- MTI晶振
- Lihom晶振
- Rubyquartz晶振
- Oscilent晶振
- SHINSUNG晶振
- ITTI晶振
- PDI晶振
- IQD晶振
- Microchip晶振
- Silicon晶振
- Anderson晶振
- Fortiming晶振
- CORE晶振
- NIPPON晶振
- NIC晶振
- QVS晶振
- Bomar晶振
- Bliley晶振
- GED晶振
- FILTRONETICS晶振
- STD晶振
- Wenzel晶振
- NEL晶振
- EM晶振
- PETERMANN晶振
- FCD-Tech晶振
- HEC晶振
- FMI晶振
- Macrobizes晶振
- AXTAL晶振
- SUNNY晶振
- ARGO晶振
- Renesas瑞薩晶振
- SKYWORKS晶振
- NSK晶振
- 臺灣加高諧振器
- 臺灣鴻星晶體
- TXC晶振
- 臺灣希華晶振
- 臺灣泰藝晶體
- AKER晶振
晶振廠家
進口晶振
歐美晶振
臺產晶振
Tel:0755-27838351
Add:廣東深圳市寶安區67區留仙一路甲岸科技園3棟5樓
Email:konuaer@163.com
QQ:632862232
晶振官方博客
更多>>.jpg)

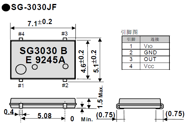
石英晶體振蕩器,SG-3030JF晶振,32.768K貼片晶振,"SG-3030JF 32.7680KB0:ROHS",超小型,薄型,質地輕的表面貼片音叉型晶體諧振器,具備優良的耐熱性,耐環境特性,在辦公自動化,家電領域,移動通信領域可發揮優良的電氣特性,符合無鉛標準,滿足無鉛焊接的回流溫度曲線要求,金屬外殼的使用使得產品在封裝時能發揮比陶瓷外殼更好的耐沖擊性.

| 愛普生晶振項目 | 符號 | 規格說明 | 條件 | |
| SG-3030LC/JF/JC | SG-3040LC/JC | |||
| 輸出頻率范圍 | f0 | 32.768kHz | ||
| 電源電壓 | Vcc | 1.5V to 5.5V | 0.9V to 3.6V | |
| 接口電源電壓 | Vio | 1.5V to 5.5V | 0.9V to 3.6V | |
| 儲存溫度 | T_stg | -55°C to +125°C | 裸存 | |
| 工作溫度 | T_use | -40°C to +85°C | ||
| 頻率穩定度 | f_tol | 5±23×10-6 |
+25 °C,Vcc=3.3V (SG-3040:Vcc=1.2V) |
|
| 頻率溫度特征 | fo-Tc | +10×10-6 /-120×10-6 |
-20°C to +70° C (+25°C 為基準溫度) |
|
| 頻率電壓特征 | fo-Vcc | 2×10-8/V Max | 5×10-8/V Max | +25°C |
| 功耗 | lcc | 2μA Max. | 3.1μA Max. | 3.3V,無負載條件 |
| 占空比 | SYM | 45% to 55% |
1/2 Vcc(Vio) 級別(SG-3040:Vio1.2V to3.6V) |
|
| 輸出電壓 | VoH | Vio-0.4V Min. | loH=0.4mA (SG-3040:Vio1.2V to 3.6V | |
| VOL | 0.4V Max | lol=0.4mA (SG-3040:Vio1.2V to 3.6V | ||
| 輸出負載條件(CMOS) | L_CMOS | 15pF Max. | CMOS 負載 | |
| 上升/下降時間 | tr/tf | 200ns Max. | 100ns Max. |
CMOS 負載:20% Vcc(Vio)to 80% Vcc(Vio)極, (SG-3040:Vio=1.2V to 3.6V) |
| 振蕩啟動時間 | t_str | 1s Max. | 3s Max. |
電源電壓最低時,所需時間為0秒 +25 °C(SG-3030:Vcc=2.0Vto5.0V) |
| 頻率老化 | f_aging | ±5 ×10-6 / 年 Max |
+25°C,第一年 Vcc=3.3V |
|
.gif)
推薦焊盤尺寸


.jpg)
"SG-3030JF 32.7680KB0:ROHS",大部份的石英晶振產品是用于電子線路上的參考頻率基準或頻率控制組件, 所以, 頻率與工作環境溫度的特性是一個很重要的參數. 事實上, 良好的頻率與溫度(frequeny versus temperature)特性也是選用石英做為頻率組件的主要因素之一. 經由適當的定義及設計, 石英晶體組件可以很容易的就滿足到以百萬分之一 (parts per million, ppm) 單位等級的頻率誤差范圍. 若以離散電路方式將LCR零件組成高頻振蕩線路, 雖然也可以在小量生產規模達到所需要的參考頻率信號誤差在ppm或sub-ppm等級要求, 可是這種方式無法滿足產業要達到的量產規模. 石英組件的頻率對溫度特性更是離散振蕩線路無法簡易達成的. 在(圖四) 中提供了數種不同的石英晶體切割角度的頻率對溫度特性曲線.


"SG-3030JF 32.7680KB0:ROHS", 愛普生晶體科技本于‘善盡企業責任、降低環境沖擊、提升員工健康’的理念,執行各項環境及職業安全衛生管理工作;落實公司環安衛政策要求使環境暨安全衛生管理成效日益顯著,不僅符合國內環保、勞安法令要求,同時也能達到國際環保、安全衛生標準.
2000年通過ISO14001環境管理系統驗證,秉持“污染預防、持續改善”之原則,公司事業廢棄物產出量逐年降低,可回收、再利用之廢棄物比例逐年提高,各項排放檢測數據符合政府法規要求.并由原材料管控禁用或限用環境危害物質與國際大廠對于綠色生產及綠色產品的要求相符,于2002年通過SONY 綠色伙伴(Green Partner)驗證.

1.技術支持 2.客服咨詢
全方位技術指導,專業的技術支持讓您感受到 專業的銷售團隊,耐心為您解答任何疑問,讓您的
前所未有的后顧無憂. 消費得到保障.
3.質量保證,誠信為上 4.提升業績,降低成本
我司以“以科技為動力,以質量求生存”為理念. 為您的產品量身訂制,免費取樣,
為您做到低成本,高效率.

全方位技術指導,專業的技術支持讓您感受到 專業的銷售團隊,耐心為您解答任何疑問,讓您的
前所未有的后顧無憂. 消費得到保障.
3.質量保證,誠信為上 4.提升業績,降低成本
我司以“以科技為動力,以質量求生存”為理念. 為您的產品量身訂制,免費取樣,
為您做到低成本,高效率.

| 深圳市康華爾電子有限公司 |
| 電 話: +86-755-27838351 |
| 手 機:13823300879 |
| 傳 真: +86-755-27883106 |
| Q Q: 632862232 |
| MSN: konuaer@163.com |
| E-mail:konuaer@163.com |
| 網 址:http://m.spinfm.net |
| 地 址:深圳市寶安區67區留仙一路甲岸科技園3棟 |





銷售代表
售后服務