產品系列
- 32.768KHz
- 石英晶振
- 貼片晶振
- 聲表面濾波器
- 陶瓷晶振
- 陶瓷霧化片
- 陶瓷濾波器
- 微孔霧化片
- CTS晶振
- KDS晶振
- 愛普生晶振
- 西鐵城晶振
- 精工晶體
- 村田晶振
- 京瓷晶振
- DST310S晶振
- 日本大河晶體
- NDK晶振
- 亞陶晶振
- 日本富士晶振
- NAKA晶振
- SMI晶振
- NKG晶振
- NJR晶振
- Q-Tech晶振
- ABRACON晶振
- VECTRON晶振
- JAUCH晶振
- ConnorWinfield晶振
- Rakon晶振
- ECS晶振
- Greenray晶振
- ECLIPTEK晶振
- GOLLEDGE晶振
- STATEK晶振
- Pletronics晶振
- SITIME晶振
- Microcrystal晶振
- RALTRON晶振
- AEK晶振
- AEL晶振
- ILSI晶振
- FOX晶振
- fujicom晶振
- CRYSTEK晶振
- interquip晶振
- Geyer晶振
- quartzcom晶振
- qantek晶振
- EUROQUARTZ晶振
- quarztechnik晶振
- Cardinal晶振
- FRE-TECH晶振
- KVG晶振
- wi2wi晶振
- Transko晶振
- suntsu晶振
- mmdcomp晶振
- MERCURY晶振
- MTRONPTI晶振
- ACT晶振
- MTI晶振
- Lihom晶振
- Rubyquartz晶振
- Oscilent晶振
- SHINSUNG晶振
- ITTI晶振
- PDI晶振
- IQD晶振
- Microchip晶振
- Silicon晶振
- Anderson晶振
- Fortiming晶振
- CORE晶振
- NIPPON晶振
- NIC晶振
- QVS晶振
- Bomar晶振
- Bliley晶振
- GED晶振
- FILTRONETICS晶振
- STD晶振
- Wenzel晶振
- NEL晶振
- EM晶振
- PETERMANN晶振
- FCD-Tech晶振
- HEC晶振
- FMI晶振
- Macrobizes晶振
- AXTAL晶振
- SUNNY晶振
- ARGO晶振
- Renesas瑞薩晶振
- SKYWORKS晶振
- NSK晶振
- 臺灣加高諧振器
- 臺灣鴻星晶體
- TXC晶振
- 臺灣希華晶振
- 臺灣泰藝晶體
- AKER晶振
晶振廠家
進口晶振
歐美晶振
臺產晶振
Tel:0755-27838351
Add:廣東深圳市寶安區67區留仙一路甲岸科技園3棟5樓
Email:konuaer@163.com
QQ:632862232
晶振官方博客
更多>>.jpg)
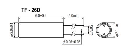
SHINSUNG晶振,TF-26D插件音叉晶體,TF-26D-15-32.768KHz-12.5pF晶振,插件石英32.768KHz晶振最適合用于比較低端的電子產品,比如兒童玩具,普通家用電器,即使在汽車電子領域中也能使產品高可靠性的使用.并且可用于安全控制裝置的CPU時鐘信號發生源部分,好比時鐘單片機上的石英晶振,在極端嚴酷的環境條件下,晶振也能正常工作,具有穩定的起振特性,高耐熱性,耐熱循環性和耐振性等.
SHINSUNG晶振,TF-26D插件音叉晶體,TF-26D-15-32.768KHz-12.5pF晶振,超小型、超低頻石英SMD晶振晶片的邊緣處理技術:是超小型、超低頻石英晶振晶體元器件研發及生產必須解決的技術問題,為壓電石英晶振行業的技術難題之一.我公司康華爾電子具體解決的辦法是使用高速倒邊方式,通過結合以往低速滾筒倒邊去除32.768K晶振晶片的邊緣效應,在實際操作中機器運動方式設計、滾筒的曲率半徑、滾筒的長短、使用的研磨砂的型號、多少、填充物種類及多少等各項設計必須合理,有一項不完善都會使貼片無源晶振晶片的邊緣效應不能去除,而石英晶振晶片的諧振電阻過大,用在電路中Q值過小,從而電路不能振動或振動不穩定.

SHINSUNG晶振,TF-26D插件音叉晶體,TF-26D-15-32.768KHz-12.5pF晶振,SHINSUNG Crysta成立于1990年,并開始生產石英晶振,濾波器,石英晶體振蕩器,同時向客戶提供最新的新松貼片晶振或通孔型晶振單元,時鐘有源晶振,溫補晶振等晶振產品,一直以供應優質晶振產品為信念,不斷給社會創造價值.
SHINSUNG晶振公司以顧客為中心,基于價值的管理,人類和諧的價值,我們認為我們的客戶是合作伙伴,并努力滿足并超越他們對質量,客戶服務和價值的要求我們是最新的SMD晶振或通孔型晶體單元,時鐘OSC,TCXO,VCXO,MCF等,并提供高產品 質量穩定,穩定性高。
.gif)
| type | TF - 26D | REMARK | ||
| frequency range | 32.768 KHz | |||
| frequency stability | ± 10ppm ~ ± 50ppm | at +25℃ ±3℃ | ||
| operating temperature | STD. -10℃ ~ 70℃ / Option : -40℃ ~ 90℃ | -80 ppm / -160 ppm | ||
| temperature coefficient | -0.034 ppm/℃ 2 TYP. / -0.04 ppm/℃ 2 max | typ. | ||
| storage temperature | -40℃ ~ 90℃ | |||
| drive level | 1µw max | |||
| load capacitance | 8.0 pF typ. | 12.5 pF typ. | 12.5 pF typ. | |
| shunt capacitance (Co) | 1.0 pF max | 1.5 pF max | 1.8 pF max | |
| equivalent series resistance | 40 KΩ max | 35 KΩ max | 35 KΩ max | |
| aging | ±3.0ppm max at +25℃ ±3℃ for first year | |||
| insulation resistance | 500MΩ min @ 100V | |||
| All specifications are subject to change without notice | ||||
.gif)

保管
保管在高溫多濕的場所可能會導致進口晶振端子軟焊性的老化.請在沒有直射陽光,不發生結露的場所保管.
負載電容
振蕩電路中負載電容的不同,可能導致振蕩頻率與設計頻率之間產生偏差.試圖通過強力調整,可能只會導致不正常的振蕩.在使用之前,請指明該振動電路的負載電容(請參閱“負載電容”章節內容).
晶體振蕩器和實時時鐘模塊
所有石英晶體諧振器和實時時鐘模塊都以IC形式提供.SHINSUNG晶振,TF-26D插件音叉晶體,TF-26D-15-32.768KHz-12.5pF晶振.
熱影響
重復的溫度巨大變化可能會降低受損害的貼片無源晶振的產品特性,并導致塑料封裝里的線路擊穿.必須避免這種情況.
安裝方向
進口晶體振蕩器的不正確安裝會導致故障以及崩潰,因此安裝時,請檢查安裝方向是否正確.
通電
不建議從中間電位和/或極快速通電,否則會導致有源晶體無法產生振蕩和/或非正常工作.貼片晶振的軟焊溫度條件被設計成可以和普通電子零部件同時作業,但如果是超過規格以上的高溫,則頻率有可能發生較大的變化,因此請避免不必要的高溫度.有關高性能SMD晶振產品的回流焊焊接溫度描述,請參照“表面貼裝型晶體產品的回流焊焊接溫度描述”.
清洗
關于一般清洗液的使用以及超聲波清洗沒有問題,但這僅僅是對單個進口晶振產品進行試驗所得的結果,因此請根據實際使用狀態進行確認.由于音叉型石英晶體諧振器的頻率范圍和超聲波清洗機的清洗頻率很近,容易受到共振破壞,因此請盡可能避免超聲波清洗.若要進行超聲波清洗,必須事先根據實際使用狀態進行確認.
SHINSUNG晶振公司在"制造、使用、有效利用、再利用"這樣一個產品生命周期中,努力創造豐富的價值,給社會帶來溫馨和安寧,感動和驚喜,同時為減少環境影響,努力做好"防止地球變暖、有效利用資源、對化學物質進行管理",實現與地球的和諧相處.
SHINSUNG晶振,TF-26D插件音叉晶體,TF-26D-15-32.768KHz-12.5pF晶振,SHINSUNG晶振將:通過適當控制環境影響的物質,減少能源的使用,以達到節約能源和節約資源的目的.有效利用資源,防止環境污染,減少和妥善處理廢物,包括再利用和再循環.新松晶振集團實施創新戰略,提高自主創新能力,確保公司可持續發展.實施節約戰略,提高建設節約環保型企業能力,確保實現節能環保規劃目標.
致力于環境保護,包括預防污染.在無源晶振產品的規劃到制造、運行維修等整個過程中,努力提供環保型的產品和服務.在業務活動中,努力節約資源并節省能源,致力于減少廢棄物和再生資源的回收利用.在積極公開有關環境的信息的同時,通過支持環保活動,廣泛地為社會作貢獻.致力于保護生物多樣性和可持續利用.切實運行環境管理系統PDmCA(Plan-Do-multiple Check-Act),努力提高環境性能,不斷改善運用系統.
SHINSUNG晶振將確保SMD晶振產品及相關設施滿足甚至超出國家的、以及地方環保機構的相關法規規定及其他要求,同時該公司盡可能的參與并協助政府機關和其他官方組織從事的環保活動. 在地方對各項設施的管理責任中,確保滿足方針的目標指標,同時在各種經營與生產活動中完全遵守并符合現行所有標準規范的要求.


.gif)
1.技術支持 2.客服咨詢
全方位技術指導,專業的技術支持讓您感受到 專業的銷售團隊,耐心為您解答任何疑問,讓您的
前所未有的后顧無憂. 消費得到保障.
3.質量保證,誠信為上 4.提升業績,降低成本
我司以“以科技為動力,以質量求生存”為理念. 為您的產品量身訂制,免費取樣,
為您做到低成本,高效率.

全方位技術指導,專業的技術支持讓您感受到 專業的銷售團隊,耐心為您解答任何疑問,讓您的
前所未有的后顧無憂. 消費得到保障.
3.質量保證,誠信為上 4.提升業績,降低成本
我司以“以科技為動力,以質量求生存”為理念. 為您的產品量身訂制,免費取樣,
為您做到低成本,高效率.

| 深圳市康華爾電子有限公司 |
| 電 話: +86-755-27838351 |
| 手 機:13823300879 |
| 傳 真: +86-755-27883106 |
| Q Q: 632862232 |
| MSN: konuaer@163.com |
| E-mail:konuaer@163.com |
| 網 址:http://m.spinfm.net |
| 地 址:廣東深圳市寶安寶安大道東95號浙商銀行大廈1905 |







銷售代表
售后服務