產品系列
- 32.768KHz
- 石英晶振
- 貼片晶振
- 聲表面濾波器
- 陶瓷晶振
- 陶瓷霧化片
- 陶瓷濾波器
- 微孔霧化片
- CTS晶振
- KDS晶振
- 愛普生晶振
- 西鐵城晶振
- 精工晶體
- 村田晶振
- 京瓷晶振
- DST310S晶振
- 日本大河晶體
- NDK晶振
- 亞陶晶振
- 日本富士晶振
- NAKA晶振
- SMI晶振
- NKG晶振
- NJR晶振
- Q-Tech晶振
- ABRACON晶振
- VECTRON晶振
- JAUCH晶振
- ConnorWinfield晶振
- Rakon晶振
- ECS晶振
- Greenray晶振
- ECLIPTEK晶振
- GOLLEDGE晶振
- STATEK晶振
- Pletronics晶振
- SITIME晶振
- Microcrystal晶振
- RALTRON晶振
- AEK晶振
- AEL晶振
- ILSI晶振
- FOX晶振
- fujicom晶振
- CRYSTEK晶振
- interquip晶振
- Geyer晶振
- quartzcom晶振
- qantek晶振
- EUROQUARTZ晶振
- quarztechnik晶振
- Cardinal晶振
- FRE-TECH晶振
- KVG晶振
- wi2wi晶振
- Transko晶振
- suntsu晶振
- mmdcomp晶振
- MERCURY晶振
- MTRONPTI晶振
- ACT晶振
- MTI晶振
- Lihom晶振
- Rubyquartz晶振
- Oscilent晶振
- SHINSUNG晶振
- ITTI晶振
- PDI晶振
- IQD晶振
- Microchip晶振
- Silicon晶振
- Anderson晶振
- Fortiming晶振
- CORE晶振
- NIPPON晶振
- NIC晶振
- QVS晶振
- Bomar晶振
- Bliley晶振
- GED晶振
- FILTRONETICS晶振
- STD晶振
- Wenzel晶振
- NEL晶振
- EM晶振
- PETERMANN晶振
- FCD-Tech晶振
- HEC晶振
- FMI晶振
- Macrobizes晶振
- AXTAL晶振
- SUNNY晶振
- ARGO晶振
- Renesas瑞薩晶振
- SKYWORKS晶振
- NSK晶振
- 臺灣加高諧振器
- 臺灣鴻星晶體
- TXC晶振
- 臺灣希華晶振
- 臺灣泰藝晶體
- AKER晶振
晶振廠家
進口晶振
歐美晶振
臺產晶振
Tel:0755-27838351
Add:廣東深圳市寶安區67區留仙一路甲岸科技園3棟5樓
Email:konuaer@163.com
QQ:632862232
晶振官方博客
更多>>
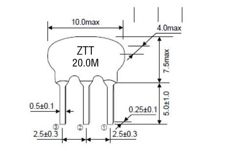
ZTT20.0M,三腳陶瓷晶振,陶瓷晶體,三腳陶瓷晶振,跟貼片的區別在于SMD是編帶方式包裝,焊接方面支持表面貼裝,可對應產品應用到自動貼片機高速安裝,是指晶振內部本身有自帶負載電容的陶瓷諧振器, “壓電陶瓷”, 與CR,LC電路不同,陶瓷振蕩子利用的是機械諧振而不是像壓電石英晶體一樣電諧振的方式起振.這意味著它基本上不受外部電路或電源電壓波動的影響.從而可以制作成無需調整的高度穩定的振蕩電路. 作為微處理器在電路中使時鐘振蕩器的匹配最適合的元件,并且得到了廣泛應用.ZTT三腳晶振產品系列可用于振蕩電路設計,無需外部負載電容器,既獲得了高密度安裝,又降低了成本.產品被廣泛應用到數碼電子產品,家用電器,無線發射器,調音線控等電子產品.
☆☆☆☆☆☆☆☆☆☆☆☆☆☆☆☆☆☆☆☆☆☆☆☆☆☆☆☆☆☆☆☆☆☆☆☆☆☆☆
|
品 名 TYPE OF SWITCH |
諧 振 器 RESONATOR |
型 號 MODEL NO |
ZTT20.0MX | |
|---|---|---|---|---|
| 電性能參數ELECTRJCAL STRUCTURE CHARACTERISTICS | ||||
| NO | 陶瓷晶振項目 ITEM | 陶瓷晶振規格:SPECIFICATION | ||
| 2-1 |
標準振蕩頻率 OSCILLATION FREQUENCY(FO) |
20.0MHz±0.3% | ||
| 2-2 |
諧振阻抗 RESONANT IMPEDANCE(Zr) |
30Ω MAX | ||
| 2-3 |
反諧振阻抗 ANTIRESONANT IMPEDANCE(Za) |
6.5KΩ MIN | ||
| 2-4 |
振蕩頻率的溫度系數 OSCILLATION FREQUENCY(FO) |
±0.3% MAX(-20℃to+80℃) | ||
| 2-5 | 耐電壓WITHSTANDIGN VOLTAGE | 100VDC 5 sec MAX | ||
| 2-6 | 額定電壓RATING VOLTAGE | |||
| 1 | 直流電壓DC VOLTAGE | 12V DC MAX | ||
| 2 | 輸入電壓AC VOLTAGE | 15VPP | ||
| 2-7 | 絕緣電阻INSULATION RESISTANCE | 100MΩ MIN(AT 10VDC) | ||
| 2-8 | 工作溫度OPERATION TEMPERATURE | -20℃to+80℃ | ||
| 2-9 | 儲存溫度STORAGE TEMPERATURE | -30℃to+80℃ | ||
| 210 | 壽命 AGING RATE(FO) | ±0.3% MAX(10 YEARS) | ||
.jpg)






銷售代表
售后服務